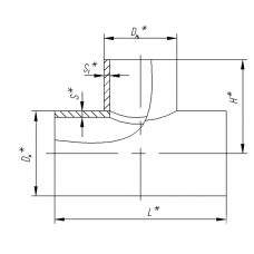
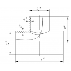
Тройники